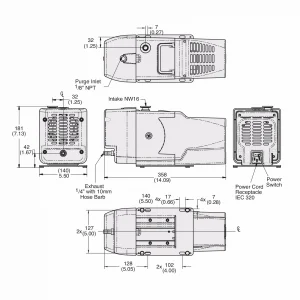
Bơm chân không khô cuộn xoắn IDP-3
Máy bơm chân không khô cuộn xoắn IDP-3 là máy bơm chân không không dầu Oil-free, nhỏ gọn, hiệu suất cao, được cải tiến phù hợp cho các ứng dụng trong nghiên cứu, dụng cụ phân tích và phòng thí nghiệm. Đây là máy bơm cuộn xoắn nhỏ nhất được chế tạo cho các ứng dụng chân không thông thường, giúp dễ dàng tích hợp vào các hệ thống OEM.
Máy bơm IDP-3 của Agilent được làm kín, với động cơ và tất cả các vòng bi được cách ly hoàn toàn với đường dẫn chân không. Thiết kế này giúp kéo dài tuổi thọ ổ trục và cung cấp chân không khô, sạch. Máy bơm IDP sử dụng thiết kế cuộn một mặt cho phép thực hiện quy trình bảo trì trong 15 phút bằng các công cụ đơn giản.
- Bơm chân không IPD-3 được thiết kế nhỏ gọn, nhẹ nhất trong các máy bơm cùng loại.
- Không gây ô nhiễm với cơ cấu bơm oil-free và không cần bảo trì
- Thiết kế kín với động cơ và vòng bi tách biệt hoàn toàn
- Không gây ồn mang lại sự thoải mái cho nơi làm việc của bạn
- Độ rung thấp
- Áp suất cơ bản thấp hơn so với máy bơm màng
- Kiểm soát tốc độ trên 24 động cơ VDC tùy chọn
- Tuổi thọ dài
- Đồng hồ đo giờ tiêu chuẩn trên tất cả các loại bơm IDP-3
- Phù hợp với các ứng dụng sắc ký khối phổ GC/MS
- Dễ dàng tích hợp vào các hệ thống thiết bị phân tích, thiết bị phát hiện rò rỉ và tuần hoàn khí Heli
En







