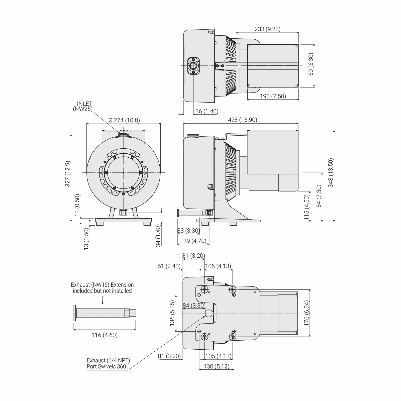
Bơm chân không Inverter TriScroll 300
Máy bơm chân không Intervert TriScroll 300 là máy bơm sử dụng công nghệ biến tần, máy bơm cuộn khô hoạt động ở tốc độ 15 m3/h (250 L/phút). Máy bơm kết hợp những lợi ích của công nghệ biến tần và hiệu suất của máy bơm chân không Agilent TriScroll mang lại hiệu suất tối ưu và ổn định ở mọi điều kiện điện áp và tần số trên toàn thế giới.
Yêu cầu bảo trì thường xuyên của máy bơm cánh gạt quay kín dầu được loại bỏ nhờ máy bơm trục vít khô Intervert TriScroll 300, đơn giản hóa việc tuân thủ quy định và môi trường, đồng thời loại bỏ chi phí xử lý dầu.
- Tốc độ bơm 15 m3/h (250 L/phút)
- Tốc độ bơm không đổi bất kể tần số đường truyền
- Có thể chọn tốc độ bơm tối ưu bằng cách điều chỉnh tốc độ quay của máy bơm thông qua tín hiệu điều khiển RS-232 hoặc 0-10 V
- Có thể theo dõi các thông số máy bơm bằng cách sử dụng giao diện nối tiếp
- Đầu nối D-shell cung cấp khả năng đóng tiếp điểm để khởi động và dừng từ xa
- Lựa chọn tốc độ quay tối ưu giúp giảm tiếng ồn và độ rung trong khu vực làm việc mà ít làm giảm hiệu suất áp suất cơ bản
- Sử dụng phần mềm Agilent A-PLUS
En





