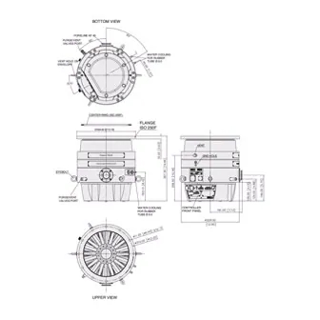
Bơm Turbo thông lượng cao Agilent Turbo-V 3K-G
Máy bơm Turbo phân tử thông lượng lớn, Turbo-V 3K-G, là hệ thống bơm chân không chuyên dụng, thiết kế đặc biệt như một máy bơm turbo cho thiết bị lắng động màng mỏng. Các giai đoạn bơm và toàn bộ cáu trúc máy bơm, được tối ưu hóa để hoạt động với lưu lượng Argon lớn dưới nhiệt độ tải khí lớn.
Turbo-V 3K-G phù hợp cho môi trường sản xuất khắc nghiệt nhờ thiết kế chắc chắn. Các ứng dụng công nghiệp phủ chân không điển hình bao gồm lắng đọng hơi nước (PVD), sản xuất tấm pin mặt trời và màn hình phẳng.
Thiết kế bơm mạnh mẽ và thiết bị điện tử hiện đại, bộ điều khiển giá đỡ hoặc bo mạch, khiến cho Turbo-V 1K-G trở thành giải pháp tối ưu cho ngành công nghiệp phủ chân không.
- Hệ thống duy nhất được tích hợp thật sự trên thi trường
- Tốc độ bơm cao nhất dòng máy
- Không dầu, mạnh mẽ và đáng tin cậy
- Thời gian trung bình hỏng hơn 200,00 giờ
- Thiết kế rotor hiện đại giảm đáng kể khối lượng và áp lực cơ khí
- Trục rotor được cấp bằng loại bỏ áp lực lên độ bền của rotor
- Sử dụng phần mềm Agilent A-PLUS (trước đó là T-plus)
- Ứng dụng phổ thông của bơm Turbo
En






