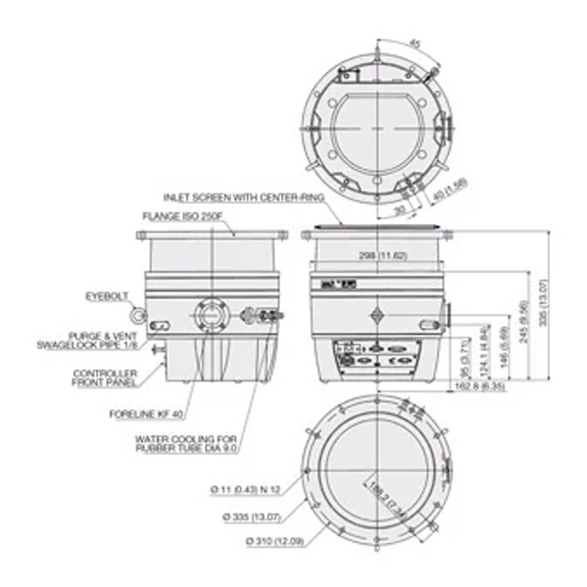
Bơm Turbo thông lượng cao Agilent Turbo-V 2K-G
Máy bơm Turbo phân tử thông lượng lớn, Turbo-V 2K-G, là hệ thống bơm chân không chuyên dụng, thiết kế đặc biệt như một máy bơm turbo cho thiết bị lắng động màng mỏng. Các giai đoạn bơm và toàn bộ cáu trúc máy bơm, được tối ưu hóa để hoạt động với lưu lượng Argon lớn dưới nhiệt độ tải khí lớn.
Turbo-V 2K-G phù hợp cho môi trường sản xuất khắc nghiệt nhờ thiết kế chắc chắn. Các ứng dụng công nghiệp phủ chân không điển hình bao gồm lắng đọng hơi nước (PVD), sản xuất tấm pin mặt trời và màn hình phẳng.
Thiết kế bơm mạnh mẽ và thiết bị điện tử hiện đại, bộ điều khiển giá đỡ hoặc bo mạch, khiến cho Turbo-V 1K-G trở thành giải pháp tối ưu cho ngành công nghiệp phủ chân không.
- Giải pháp bơm chuyên dụng được thiết kế cho thiết bị lắng đọng màng mỏng
- Hiệu suất cao nhất, thiết kế nhỏ nhất hiện có
- Thiết kế đầu tiên được tích hợp đầy đủ cho hiệu suất hệ thống và thời gian hoạt động tối đa
- Gói tích hợp bao gồm bơm phân tử, ổ cứng điện tử, nguồn điện, MoniTorr, lọc khí và thiết bị trao đổi
- Giao diện điện tử đa năng với phần mềm điều khiển dễ sử dụng Analog I/O và giao diện RS232 / RS485 làm chuẩn
- Giao diện Agilent Profibus (tùy chọn)
- Sử dụng phàn mềm Agilent A-PLUS (trước đây là T-plus)
- Ứng dụng phổ thông của bơm Turbo
En







