Kim tương học đã được mô tả như một môn khoa học và nghệ thuật. Từ xa xưa, kim tương học đã được xem là ngành nghiên cứu cấu trúc vi mô của các kim loại và hợp kim sử dụng các thiết bị quang học, kính hiển vi điện tử, hoặc các thiết bị phân tích bề mặt khác. Gần đây, khi ngành khoa học vật liệu phát triển, kim tương học được hiểu rộng hơn bao gồm cả công việc kết hợp nhiềuloại vật liệu khác nhau, kể cả vật liệu điện tử, để tạo ra các vật liệu tổng hợp. Bằng cách phân tích vi cấu trúc của vật liệu, các đặt tính kỹ thuật và độ bền của mẫu có thể được hiểu rõ hơn. Vì vậy phép phân tích kim tương được sử dụng trong phát triển vật liệu, kiểm tra đầu vào, kiểm soát sản xuất và chế tạo,hoặc trong phân tích lỗi; nói cách khác, phân tích độ tin cậy của sản phẩm.
Kim tương học hoặc phân tích vi cấu trúc bao gồm (nhưng không giới hạn) các loại phân tích sau đây:
1. Kích thước hạt .
2. Lỗ xốp và bọt khí.
3. Phân tích pha.
4. Khuyết tật dạng nhánh cây.
5. Các vết nứt và các khuyết tật khác.
6. Phân tích ăn mòn.
7. Sự xâm lấn nhau giữa các hạt (IGA).
8. Độ dày lớp phủ và tính toàn vẹn.
9. Kích thướcthể vùi, hình dạng và sự phân bố.
10. Vết hàn và vùng bị ảnh hưởng nhiệt (HAZ).
11. Phân bố và định hướng của chất độn tổng hợp.
12. Hạt graphit.
13. Đúc lại.
14. Độ dày thấm cacbon.
15. Sự khử thấm cacbon.
16. Độ dày thấm nitơ.
17. Khe nứt giữa các hạt.
18. Độ mẫn cảm của vùng bị ảnh hưởng nhiệt HAZ.
19. Ứng suất dòng kéo.
20. Sự mẫn cảm của vết hàn.
21. Ứng suất chảy dẻo.
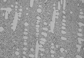
1. Phân tích kích thước hạt
Đối với các kim loại và gốm sứ, kích thước hạt là thông số quan trong việc phân tích kim tương học, vì nó có liên quan trực tiếp đến các tính chất cơ học của vật liệu. Mặc dù, kích thước hạt là một thông số 3 chiều, nhưng trong thực tế nó thường được đo theo 2 chiều từ mặt cắt ngang của vật liệu. Các công việc đo kích thước hạt thông thường bao gồm: Đếm số hạt trên một đơn vị diện tích/khối lượng, giá trị kích thước hạt hoặc đường kính trung bình. Giá trị kích thước hạt có thể được tính toán hoặc so với biểu đồ kích thước hạt chuẩn hóa. Các thuật toán phân tích hình ảnh hiện đại là rất hữu ích để xác định kích thước hạt.
-
Hình 1-1 Kích thước hạt nhôm anot hóa -
Hình 1-2 Kích thước hạt Rhenium
2. Đường biên kép
Đường biên kép xảy ra khi 2 tinh thể phân bố đối xứng nhau. Với một số vật liệu, đường biên kép xảy ra do sự đông cứng ở nhiệt độ thấp. Để xác định chính xác kích thước hạt trong các vật liệu loại này, đường biên kép cần phải được loại bỏ ra khỏi các tính toán.

Hình 1-3 Đường biên kép trong đồng thau
3. Lỗ xốp và khe hở
Các lỗ nhỏ hoặc khe hở trong vật liệu có thể được phân loại thành độ xốp hoặc độ rỗng. Lỗ xốp đặc trưng cho các lỗ tạo thành từ quá trình nung kết vật liệu hoặc bột gốm hoặc do quá trình co rút vật liệu sau khi đúc. Các khe hở thường là kết quả của hiện tượng bẫy không khí và hay gặp với các vật liệu pha trộn như vật liệu tổng hợp polime dạng ma trận.
-
Hình 1-4 Lỗ xốp trong gốm BaCl -
Hình 1-5 Khe hở tạo thành do sự bẫy không khí trong vật liệu tổng hợp boron-graphit

4. Các vết nứt
Các khuyết tật dạng vết nứt có thể dẫn đến lỗi nghiêm trọng về vật liệu. Kim tương học thường sử dụng phân tích lỗi để xác định tại sao vật liệu bị nứt vỡ, tuy nhiên, phân tích cắt ngang cũng là một kỹ thuật rất hữu ích để đánh giá các khâu trong sản xuất mà ở đó có thể phát sinh lỗi.
-
Hình 1-7 Vết nứt do kéo căng trong vật liệu ma trận gốm. -
Hình 1-8 Vết nứt hàn trong mối hàn giữa 2 vật liệu đồng và thép không gỉ.
5. Phân tích pha
Trong các mẫu hợp kim có thể tồn tại nhiều vùng pha khác nhau (đồng nhất) phụ thuộc vào thành phần và tốc độ làm nguội. Các nhà kim tương học thường quan tâm đến sự phân bố, kích thước và hình dạng của các pha. Đối với vật liệu composite, sự nhận dạng và đặc điểm của phụ gia cũng sẽ được quan tâm.

Hình 1-9 Các pha Ni-Fe-Al trong đồng đỏ.

Hình 1-10 Các pha của đồng và sắt trong một hợp kim ép nguội.

Hình 1-11 Vật liệu tổng hợp Polyme – Than chì.
6. Cấu trúc hình nhánh cây
Bằng cách làm đông cứng một hợp kim nóng chảy, bên trong vật liệu có thể tạo thành một cấu trúc hình nhánh cây. Cấu trúc nhánh cây bước đầu phát triển với nhánh chính, quá trình này phụ thuộc vào tốc độ làm mát, thành phần và các tác động khuấy trộn, các nhánh thứ cấp được phát triển ra từ nhánh chính. Tương tự như vậy, các nhánh thứ cấp tiếp theo mọc ra nhán thứ cấp trước đó. Công việc phân tích kim tương các cấu trúc này bao gồm mô tả khoảng cách nhánh.
-
Hình 1-12 Cấu trúc hình nhánh cây trong hợp kim Al-Si. -
Hình 1-12 Cấu trúc hình nhánh cây.
7. Phân tích ăn mòn
Hiệu ứng ăn mòn có thể được đánh giá thông qua kỹ thuật phân tích kim tương nhằm xác định cả nguyên nhân cũng như nguy cơ tiềm tàng.

Hình 1-14
Phân tích ăn mòn của một linh kiện nam châm trong ổ cứng máy tính.
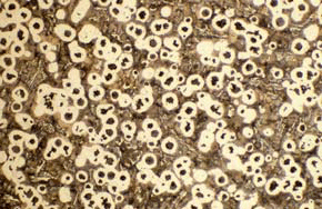
8. Sự xâm lấn nhau giữa các hạt
Ăn mòn giữa các hạt (IGC), còn được gọi là sự xâm lấn nhau giữa các hạt (IGA), là một hình thức của sự ăn mòn không đồng nhất. Quá trình ăn mòn được khởi xướng bởi sự không đồng nhất trong các kim loại và thể hiện rõ rệt hơn tại biên giới hạt khi các hợp chất ức chế ăn mòn suy giảm. Ví dụ, crom được thêm vào các hợp kim niken và thép không gỉ để cung cấp khả năng chống ăn mòn. Nếu mật độ crom bị suy giảm do sự hình thành crom cacbua tại biên giới hạt (quá trình này được gọi là mẫn cảm), ăn mòn giữa các hạt có thể xảy ra.

Hình 1-15 Sự suy giảm các hạt tinh thể kim loại trong niken.

Hình 1-16 Sự suy giảm các hạt tinh thể kim loại trong niken.

Hình 1-17 Sự nứt vỡ các hạt trong nhôm.
9. Chiều dày lớp phủ
Mạ thường được sử dụng để cải thiện các tính chất bề mặt của vật liệu. Lớp phủ có thể cải thiện khả năng chịu nhiệt (lớp phủ plasma), tăng độ cứng (anot hóa), tăng cường bảo vệ chống ăn mòn (sơn, mạ kẽm), tăng sức đề kháng mài mòn, và cung tăng cường khả năng giãn nở nhiệt cho bề mặt các chất diện kim loại / điện môi. Phân tích kim tương có thể cung cấp thông tin hữu ích liên quan đến độ dày lớp phủ, mật độ, tính đồng nhất và sự hiện diện của bất kỳ khiếm khuyết nào.

Hình 1-18 Phun phủ Plasma.

Hình 1-19 Chất điện môi AlN với lớp phủ kim loại.
10. Tạp chất
Tạp chất bao gồm những chất lạ nhiễm vào bề mặt kim loại trong quá trình cán hoặc xử lý tạo hình kim loại. Tạp chất thông thường bao gồm các oxit, sulfit hoặc silicat. Tạp chất có thể được mô tả bởi hình dạng, kích thước và sự phân bố của chúng.

Hình 1-20a Tạp chất ôxít trong thép

Hình 1-20b Tạp chất sunfit trong thép
11. Phân tích vết hàn
Hàn là quá trính xử lý để nối 2 phần kim loại riêng biệt với nhau. Hầu hết các quá trình hàn sẽ gây nóng chảy kim loại khu vực mối hàn, khu vực hợp nhất này được gọi là nốt hàn có cấu trúc hạt giống như quá trình đúc. Các khu vực tiếp giáp với nốt hàn cũng thường được quan tâm và được biết đến như là HAZ (vùng ảnh hưởng nhiệt). Thông thường khu vực hàn sẽ có vi cấu trúc khác và do đó có tính chất vật lý và cơ học khác so với các kim loại ban đầu. Phân tích vết hàn cũng có thể bao gồm việc đánh giá các vết nứt và sự hòa lẫn của các kim loại cơ bản trong khu vực vết hàn.

Hình 1-21a Vết hàn thép không gỉ hoàn hảo.

Hình 1-21b Vết hàng thép filet

Hình 1-22 Sự khuếch tán các hạt thép vào trong kim loạ đồng trong vết hàn giữ 2 kim loại thép – đồng

Hình 1-23a Vết hàn với sự xâm nhập hoàn hảo.

Hình 1-23b Vết hàn không liên tục và sự xâm nhập kém.
12. Tính nguyên vẹn của chỗ hàn
Với các linh kiện điện tử, sự toàn vẹn của vết hàn là rất quan trọng cho độ bền của các linh kiện.

Hình 1-24 Vết hàn trên mạch điện tử.
13. Vật liệu tổng hợp
Vật liệu tổng hợp thành phần chứa nhiều các chất độn trong một ma trận. Chất độn thường gặp bao gồm các hạt gốm hoặc than chì và cacbon hoặc than chì dạng sợi. Những chất độn được bao bọc, hoặc đúc, vào polyme, kim loại, hoặc ma trận gốm. Phân tích kim tương các vật liệu composite bao gồm việc phân tích sự định hướng và phân bố của các chất độn, khe hở và các khuyết tật khác.
-
Hình 1-25 Vật liệu tổng hợp sợi cacbon -
Hình 1-26 Hạt SiC trong ma trận kim loại
14. Hạt Graphit
Gang thường được phân loại dựa theo thành phần graphit bên trong là dạng cầu (gang dẻo) hoặc dạng vảy (gang xám). Vì gang xám thường giòn và dễ gãy, nên gang dẻo thường được được ưa thích hơn. Để sản xuất gang dẻo, magiê hoặc xeri được thêm vào sắt nóng chảy trước khi đông đặc. Phân tích mặt cắt ngang thường được sử dụng để phân biệt gang nóng chảy trước khi đổ khuôn.
-

Hình 1-27a Gang xám (vảy graphit), sau khi đánh bóng
-
Hình 1-27b Gang xám (vảy graphit, sau khi ăn mòn -
Hình 1-28a Gang dẻo sau khi đánh bóng. -
Hình 1-28b Gang dẻo sau khi ăn mòn.
15. Đúc lại
Các lớp đúc lại được tạo thành từ các hạt kim loại nóng chảy lắng đọng lại trên bề mặt phôi. Cả HAZ (vùng ảnh hưởng nhiệt) và lớp đúc lại đều có thể chứa các kẽ nứt nhỏ mà có thể gây ra lỗi kéo căng trong các linh kiện quan trọng.

Hình 1-29 Lớp đúc lại liên tục.

Hình 1-30 Lớp đúc lại giới hạn.

Hình 1-31 Kẽ nứt trên lớp đúc lại.
16. Sự thấm cacbon
Quá trình xử lý nhiệt phổ biến nhất để làm cứng các hợp kim màu được gọi là sự thấm cacbon. Quá trình thấm cacbon liên quan đến sự khuếch tán cacbon vào trong hợp kim ở nhiệt độ cao. Bằng cách làm nguội ngay lập tức tức sau khi thấm cacbon, lớp bề mặt sẽ được làm cứng. Phân tích kim tương, cùng với thử nghiệm độ cứng vi mô, có thể tiết lộ các chi tiết liên quan đến các độ cứng lớp vỏ và độ sâu của nó.

Hình 1-32 Thử độ cứng theo phương pháp Knoop.

Hình 1-33 Thép tôi cacbon cao.

Hình 1-34 Thép tôi cacbon thấp.
17. Sự khử cacbon
Sự khử cacbon là một khuyết tật có thể xảy ra khi hàm lượng cacbon trên bề mặt thép bị mất đi khi nung nóng đến nhiệt độ cao, đặc biệt là trong môi trường khí hydro. Sự mất cacbon có thể làm giảm cả độ dẻo và độ bền của thép. Nó cũng có thể dẫn đến việc tạo ra tính dòn hydro của thép.

Hình 1-35 Sự mất cacbon thô bạo tron đai thép.

Hình 1-36 Sự khử cacbon.
18. Sự thấm nitơ
Thấm nitơ là một quá trình trong sản xuất thép với lớp vỏ rất cứng và khẻo. Quá trình này bao gồm nung nóng thép tại 500-540 ° C (930-1000 ° F) trong môi trường khí amoniac trong khoảng 50 giờ. Quá trình không đòi hỏi làm nguội nhanh hoặc xử lý nhiệt bổ xung. Độ cứng theo thang Vickers khoảng 1100 và độ sâu thấm khoảng 0,4 mm. Thấm nitơ cũng có thể cải thiện khả năng chống ăn mòn của thép.

Hình 1-37 Thép nitơ hóa.
19. Sự nứt gãy giữa các hạt
Sự nứt gãy giữa các hạt là sự một gãy xương xảy ra dọc theo ranh giới hạt của vật liệu. Sự nứt gãy giữa các hạt có thể là kết quả của xử lý nhiệt không đúng cách, thể vùi hoặc các hạt trong pha thứ 2 nằm ở ranh giới giữa các hạt.

Hình 1-38 Sự nứt gãy giữa các hạt do xử lý nhiệt không đúng 17-7PH, 1000X.
20. Sự mẫn cảm của vết hàn
Sự mẫn cảm là trạng thái trong đó thành phần crom của một hợp kim trở nên cạn kiệt do sự hình thành crom cacbua tại biên giới hạt. Đối với vết hàn, sự mẫn cảm xảy ra sự gia nhiệt và làm nguội trong quá trình hàn. Ví dụ, thép không gỉ SUS 300 tạo thành crom cacbua kết tủa tại biên giới hạt trong khoảng 425 – 475°C.

Hình 1-39 Sự mẫn cảm của vết hàn với thép không gỉ SS 304L, độ phóng đại 500X.
21. Ứng suất chảy dẻo
Ứng suất chảy dẻo là sự ứng suất cần thiết để giữ một kim loại chảy hoặc biến dạng. Hướng của dòng chảy là quan trọng.

Hình1-40 Dòng chảy không đúng hướng ứng suất bình thường cho đến tối đa, chất khắc mòn HCl+H2O2.
En